Tu Carrito
No hay más artículos en su carrito
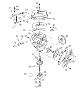
Listado de productos por marca Hayward
Hayward es una empresa que lleva más de 80 años trabajando en el sector de las piscinas. Su principal objetivo es el de proporcionar una experiencia gratificante y sin preocupaciones en su piscina.
MoreHayward es una empresa que lleva más de 80 años trabajando en el sector de las piscinas. Su principal objetivo es el de proporcionar una experiencia gratificante y sin preocupaciones en su piscina. Hayward ofrece una gran variedad de equipamiento para su piscina.
LessLimpiafondos Aspiración